鑫景福致力于滿足“快速服務,零缺陷,輔助研發”PCBA訂購單需求。
工控PCBA組裝
產品詳情
數據表
主芯片組

DSP TMS320C13B芯片一塊,NVRAM 2M字節
技術參數
32 個 I/O 輸入和 64 個 I/O 輸出
2路光隔離RS232
1個RS422接口和1個RS485接口
48路16位同步200KSPS A/D轉換
1個光電隔離CAN接口,1個GPS授時
內置實時時鐘、電源監控和看門狗等。
支持-40~85℃工業寬溫應用
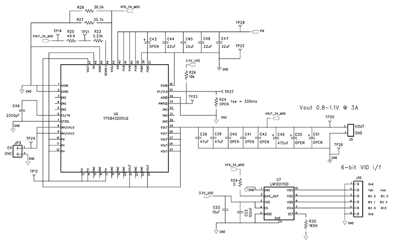
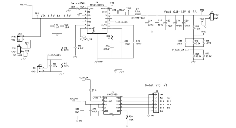
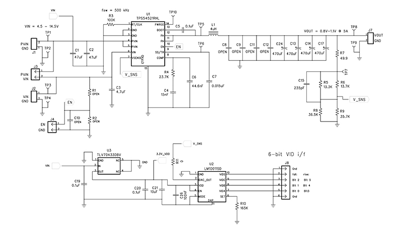
電路原理圖



數字圖像采集與處理系統PCBA介紹
數字圖像采集處理系統PCBA可實現攝像頭的高速圖像采集和存儲,壓縮并與PC串口通信實現圖像數據的傳輸,實現圖像在PC上的處理和顯示等。PCBA設計 數字圖像采集處理系統的模式采用硬件采集-軟件處理模式。 圖像經過采樣和量化后,轉換成數字圖像輸入并存儲在幀存儲器中。 圖像由計算機分析以獲得所需的結果。 數字圖像采集處理系統PCBA可應用于視頻會議、安防監控、交通收費、工業巡檢、圖像采集等各種圖像采集、處理和分析領域。
鑫景福提供數字圖像采集和處理系統 PCB 組裝服務。 這是一家具有資深行業經驗的PCBA一站式組裝工廠。 歡迎認識我們!
技術參數
32 個 I/O 輸入和 64 個 I/O 輸出
2路光隔離RS232
1個RS422接口和1個RS485接口
48路16位同步200KSPS A/D轉換
1個光電隔離CAN接口,1個GPS授時
內置實時時鐘、電源監控和看門狗等。
支持-40~85℃工業寬溫應用
- 上一篇:智能工業通訊PCBA組裝
- 下一篇:高速數據采集 PCBA 組裝
點擊
然后
聯系
然后
聯系
電話熱線
13410863085Q Q

微信

- 郵箱







